AT機用FDDをMSXで使用するための34ピン-24ピン変換回路

− 回路図編 −



装置の回路図

以下のように34ピン側と24ピン側の同じ信号どうしを対応させて接続します。
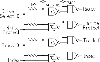
ただし,24ピン側の「Ready」「Write Protect」「Track 0」「Index」の4つの信号は
右図のように74LS132で受け,7438によりドライブさせる必要があります。
(参考にしたもの:トランジスタ技術 1991年12月号 CQ出版社)

MSX用/24ピン仕様FDDの信号 「Ready」「Write Protect」「Track 0」「Index」
の信号は以下のようにドライブします。
抵抗は全て1kΩを使用します。

AT互換機用/34ピン仕様FDDの信号 MSX用/24ピン仕様FDDの信号
Drive Select 0 Ready
Drive Select 0 Drive Select 0
Write Protect Write Protect
Track 0 Track 0
Index Index
Motor Enable 0 Motor ON
Direction Direction Select
Step Pulse Step
Write Data Write Data
Write Enable Write Gate
Read Data Read Data
Select Head Side Select
Disk Change Disk Change


FDDのピン配置

参考のため,PC/AT互換機用の34ピンFDD(各社あり)データブックと松下電器製の
24ピンFDD(EME213)データブックに記載されていたFDDの信号名を下表に示します。

AT互換機用/34ピン仕様FDDの信号
ピン番号 信号名 ピン番号 信号名
1 GND 18 Direction
2 High Density 19 GND
3 GND 20 Step Pulse
4 NC 21 GND
5 GND 22 Write Data
6 NC 23 GND
7 GND 24 Write Enable
8 Index 25 GND
9 GND 26 Track 0
10 Motor Enable 0 27 GND
11 GND 28 Write Protect
12 Drive Select 1 29 GND
13 GND 30 Read Data
14 Drive Select 0 31 GND
15 GND 32 Select Head
16 Motor Enable 1 33 GND
17 GND 34 Disk Change
MSX用/24ピン仕様FDDの信号
ピン番号 信号名 ピン番号 信号名
1 +5V 13 Track 0
2 +5V 14 Write Gate
3 NC 15 GND
4 +5V 16 Write Data
5 +5V 17 GND
6 Ready 18 Step
7 GND 19 Direction Select
8 GND 20 Motor ON
9 Side Select 21 Drive Select 1
10 GND 22 Drive Select 0
11 Read Data 23 Index
12 Write Protect 24 Disk Change



シルゴンハーゲンのホームページ・メインへ
メインへ戻る